Наружная реклама
Реклама на радио
Реклама на телевидении
Реклама в интернете и печатных СМИ
Реклама в помещениях
Реклама на/в транспорте
Изготовление рекламы
в Белой Калитве
Фасад Медиа Групп – рекламно-производственная компания, оказывающая услуги по изготовлению крышных установок в Белой Калитве и Ростовской области. Мы оказываем полный спектр услуг:
РПК «Фасад Медиа Групп» предлагает гибкие условия и выгодные цены изготовления крышной установки в Белой Калитве и Ростовской области. Для получения коммерческого предложения по изготовлению и установке крышной установки в Белой Калитве обращайтесь по телефону: 8 800 201-23-74 или оставьте заявку на сайте. Изготовление крышной установки «под ключ» гарантируем!
Крышные установки пользуются большим спросом среди представителей бизнеса. Востребованность данного вида рекламной конструкции объясняется целым рядом факторов:
Крышные установки являются эффективным средством для рекламирования магазинов, офисов, торговых центров, бизнес-центров и других инфраструктурных объектов с целью увеличения потока клиентов и повышения процента продаж. Многие клиенты нашего рекламного агентства заказывают изготовление крышных установок на постоянной основе, добиваясь при этом высоких результатов в продвижении бренда компании, информировании населения о продаваемых товарах и оказываемых услугах.
Рекламно-производственная компания "Фасад Медиа Групп" занимается изготовлением крышных установок «под ключ»:
Выбирая нашу компанию, вы получаете высокий уровень сервиса и разумные цены. Обращайтесь к нам. У нас выгодно!
ИЗГОТОВЛЕНИЕ, ДОСТАВКА И УСТАНОВКА КРЫШНЫХ УСТАНОВОК В БЕЛОЙ КАЛИТВЕ

Планируете изготовление крышной установки в Белой Калитве? – обращайтесь по телефону: 8 800 201-23-74 или оставьте заявку на сайте. Изготовление крышной установки «под ключ» гарантируем!
Что такое крышная установка?
Наши клиенты часто задают вопрос: «Что такое крышная установка?». Отвечая на данный вопрос, специалисты нашей компании указывают, что под крышными установками в рекламных целях принято понимать рекламную конструкцию, закрепленную над козырьком крыши и предназначенную для информирования населения о бренде и/или названии компании.
Примеры крышной установки приведены ниже:

Крышная установка. Пример 1

Крышная установка. Пример 2

Крышная установка. Пример 3

Крышная установка. Пример 4

Крышная установка. Пример 5
Какие бывают виды крышных установок?
Существует большое количество крышных установок. Все крышные установки могут быть объединены в различные группы по различным основаниям:
1) в зависимости от места установки:
2) в зависимости от материала изготовления:
3) в зависимости от наличия подсветки:
4) в зависимости от формы:
5) в зависимости от наличия движения:
Как видим, существует большое количество крышных установок самого различного вида. В настоящее время особую популярность завоёвывают диджитал-конструкции, способные воспроизводить движение за счет светодиодных панелей.

Сколько стоит изготовление крышных установок в Белой Калитве?
Стоимость изготовления крышных установок в Белой Калитве не является фиксированной. Цены вариативны и зависят от различных факторов. Большое влияние на ценовую политику оказывают:
Дополнительно необходимо отметить, что вид крышной установки является одним из основных факторов, влияющих на стоимость ее изготовления. Вариативность форматов данной конструкции позволяет заказчикам даже с небольшим бюджетом изготавливать крышные установки.
Можно заключить, что изготовление крышных установок в Белой Калитве и Ростовской области стоит недорого. Денежные средства, вложенные в изготовление данного вида конструкции, окупаются быстро, а высокая эффективность крышных установок способствует увеличению потока клиентов и повышению процента продаж.
Планируя изготовление крышных установок, заказчик, зачастую, во главу угла ставит именно финансовый аспект. Поэтому стоимость изготовления крышных установок в Белой Калитве является важным вопросом. Для получения коммерческого предложения об условиях и ценах изготовления крышных установок в Белой Калитве необходимо предоставить следующую информацию:
Предоставление указанной выше информации является необходимым условием для получения ценового предложения (прайса) по изготовлению крышных установок. После получения указанной информации наши менеджеры смогут подготовить коммерческое предложение с учетом ваших целей и задач.

Целевая аудитория рекламы в Белой Калитве
Для получения максимального эффекта от установки крышных установок в Белой Калитве необходимо точно определить целевую аудиторию, на которую ориентирован рекламируемый бренд. Данный фактор, зачастую, является краеугольным, особенно для тех рекламодателей, у которых скромный рекламный бюджет. Для чего необходимо точно знать целевую аудиторию? Точечно воздействуя на заранее определенную аудиторию, можно достичь высокой эффективности при установке рекламной конструкции что, в свою очередь, приведет к повышению покупательского спроса и увеличению продаж.
Возникает закономерный вопрос: «На кого ориентирована реклама в Белой Калитве?». Отвечая на данный вопрос, можно отметить, что реклама в Белой Калитве ориентирована на людей с высоким и средним уровнем дохода. Рекламная информация воздействует на людей среднего и старшего возраста, имеющих высшее и среднее образование, высокий и средний заработок, собственников бизнеса, и работников по найму, любящих путешествие, отдых, ведущих активный образ жизни, старающихся следовать моде в сфере гаджетов и компьютерной техники.

Услуги по изготовлению крышных установок в Белой Калитве
Компания «Фасад Медиа Групп» изготавливает крышные установки в Белой Калитве на профессиональной основе. Мы оказываем следующий перечень услуг:
Как можно видеть, рекламно-производственная компания "Фасад Медиа Групп" оказывает полный перечень услуг по изготовлению крышных установок в Белой Калитве. Благодаря большому опыту работы и профессионализму наших рабочих, мы качественно оказываем услуги, а работы всегда выполняем в полном объеме и в установленный срок.

Сроки изготовления крышных установок в Белой Калитве
Срок изготовления крышных установок является одним из важных факторов, поскольку чем быстрее крыная установка будет установлена, тем быстрее тысячи потенциальных покупателей смогут обратить внимание на рекламную конструкцию. Зачастую, наши клиенты спрашивают: «Каков минимальный срок изготовления крышных установок в Белой Калитве?». Отвечая на данный вопрос, можно отметить, что минимальный срок изготовления крышных установок в Белой Калитве составляет 3 рабочих дня. Что касается максимального срока выполнения работ, то он рассчитывается индивидуально исходя из вида, размера, формата рекламной конструкции, а также наличия свободных трудовых ресурсов.
Изготовление крышных установок можно разделить на несколько этапов:
Несмотря на то, что минимальный срок изготовления крышных установок составляет 3 рабочих дня, в некоторых случаях срок изготовления данной конструкции может быть продолжительным. Для получения более подробной информации по данному вопросу, обращайтесь к специалистам нашей компании. Будем рады помочь.

Плюсы изготовления крышных установок в Белой Калитве
Конструкции наружной рекламы в Белой Калитве пользуются спросом среди представителей бизнеса, поскольку являются эффективным и выгодным решением для увеличения потока клиентов и повышения процента продаж. Крышные установки сочетают в себе преимущества, которые делают их наиболее популярными среди всех средств привлечения внимания потенциальных клиентов или покупателей. Назовем некоторые плюсы крышных установок:
Как видно, крышные установки обладают целым набором положительных черт, которые способствуют их популярности среди представителей бизнеса.

Какова рекламная эффективность крышных установок в Белой Калитве?
Крышные установки очень популярны и широко распространены в Белой Калитве и Ростовской области в качестве рекламных конструкций. Эффективность крышных установок достигается за счет ряда факторов. Особенно заметное влияние оказывают:
Востребованность наружной рекламы обусловлена тем, что установка конструкции наружной рекламы позволяет существенно увеличить продажи и привлечь новых покупателей и клиентов. Изготовление и установка рекламной конструкции позволяет собственнику бизнеса увеличить прибыль. Пожалуй, это самое главное, для чего нужна реклама.
Способы оплаты работ по изготовлению крышных установок в Белой Калитве
Рекламно-производственная компания «Фасад Медиа Групп» предлагает своим клиентам следующие способы оплаты работ по изготовлению и установке крышных установок:
Внимание! Мы работаем по 100% предоплате. После поступления денежных средств начинается процесс изготовления рекламы. Днем поступления оплаты считается день зачисления денежных средств на расчетный счет ООО «Фасад Медиа Групп».
| Вид услуги | Сроки оказания услуг | Стоимость | Оплата | Налог | Отчет |
|---|
ПРЕИМУЩЕСТВА УСТАНОВКИ КРЫШНЫХ УСТАНОВОК В БЕЛОЙ КАЛИТВЕ

Широкая целевая аудитория
В городской среде установлено большое количество рекламных конструкций, которые используются рекламодателями в целях продвижения бренда компании, популяризации товаров и услуг, привлечения новых и удержания старых клиентов и покупателей. Каждый вид рекламы обладает своими отличительными особенностями, характеристиками и преимуществами. Важной особенностью любой рекламы является возможность и способность воздействовать на широкий круг людей, т.е. на большую целевую аудиторию. Вместе с тем, порой сложно добиться того, чтобы реклама работала на большую группу людей. Зачастую рекламное объявление воздействует только на потенциальных заказчиков и клиентов, не затрагиваю тех людей, которым данное рекламное предложение также может быть интересно. А это проблема, поскольку рекламодатель некоторую часть своих денег тратит впустую, что приводит к снижению эффективности рекламной кампании. Возникает вопрос: «Существует ли рекламная конструкция, с помощью которой можно привлечь внимание потенциальных покупателей?». На данный вопрос можно дать положительный ответ. Речь идет о крышных установках.
Крышные установки, воздействуют на широкий круг людей, охватывая максимальное количество потенциальных покупателей, клиентов, посетителей. Можно смело заявить, что крышные установки охватывают всех горожан, проходящих или проезжающих мимо магазина, торгового центра или офиса.
Воздействие на максимальное количество людей является несомненным достоинством крышных установок. Устанавливая крышные установки на фасад здания, можно массово воздействовать на целевую аудиторию, повышая тем самым эффективность рекламы.
Синергетический эффект рекламы
Синергия (греч. συνεργία – сотрудничество, содействие, помощь, соучастие) – взаимодействие двух и более факторов, совместное действие которых приводит к усиливающемуся эффекту, который, в свою очередь, превосходит простую сумму действий каждого из указанных факторов.
В рекламной сфере синергия возможна при размещении объявлений на различных типах рекламных конструкций, демонстрации рекламных объявлений через различные каналы распространения информации (телевидение, радио, интернет). Синергия наружной рекламы заключается в том, что крышные установки, установленные на фасаде здания, отлично сочетаются с размещением рекламы на телевидении, радио, интернет или транспорте.
Эффект от синергетической рекламной кампании колоссален и позволяет значительно увеличить поток клиентов и, как следствие, повысить процент продаж. Вместе с тем, нужно оговориться, что реклама, размещенная на улицах города, отлично работает не только в купе с иными видами рекламы, но и самостоятельно. Многие клиенты нашего рекламного агентства используют только наружную рекламу для достижения целей рекламной кампании. Следовательно, наружная реклама может применяться сама по себе с большой эффективностью.
Используя возможности наружной рекламы и как основного, и как дополнительного источника коммуникации с потребителем, вы сможете значительно повысить узнаваемость вашего бренда, товара или оказываемой услуги. В качестве примера можно привести западный опыт: крупнейшие бренды размещают рекламу не только в СМИ, но и важное место в рекламном бюджете отводят на наружную рекламу. Как показывают исследования, благодаря рекламе на улицах города рост объема продаж в среднем составляет 16%, а в отдельных случаях колеблется от 17% до 19%. Можно сделать вывод, что реклама, установленная на улицах города, отлично зарекомендовала себя и как основной вид рекламы, и как вспомогательный для продвижения бренда, товара или услуги.
Высокая частота контактов с наружной рекламой
Реклама на улицах города является хорошо развитым сегментом отечественного рекламного рынка. Рекламодатели по достоинству оценили эффективность наружной рекламы. Многие клиенты нашего рекламного агентства используют крышные установки в качестве единственного и основного средства информирования населения о месте нахождения магазина, торгового центра или офиса. В чем причина популярности крышных установок среди представителей отечественного бизнеса? Ответ кроется в частоте контактов потенциальных покупателей с рекламой.
Заходя в магазин или торговый центр, люди сталкиваются с рекламными конструкциями различных форматов. Частота контактов потенциальных клиентов с рекламой, размещенной, к примеру, на фасаде здания в виде крышной установки, находится на очень высоком уровне. По статистике, с данной рекламной вывеской, установленной на фасаде здания, люди могут контактировать до нескольких тысяч раз в сутки.
Высокая частота контактов является важным составляющим успеха любой рекламной кампании. Устанавливая крышные установки на фасаде здания, рекламодатель обеспечивает массовый охват целевой аудитории и значительно повышает вероятность привлечь новых клиентов и увеличить процент продаж.
Приведем несколько цифр: с точки зрения запоминаемости, результаты исследования оказались ошеломительными: 20% опрошенных в деталях вспомнили крышную установку здания, которое они видели последнее время, при этом больше половины – в течение последних трех дней. Причем, запомнилось не только крышная установка, но и местоположение здания, т.е. адрес.
Быстрое достижение целей рекламной кампании
Планируя размещение рекламы, рекламодатели ставят перед собой различные цели. Так, целями рекламной кампании могут быть:
Каждая цель рекламной кампании требует решения определенных задач для ее достижения. Важной задачей, которую необходимо решить перед запуском любой рекламной кампании, является задача выбора вида рекламы, рекламной площадки или рекламной конструкции. Данный вопрос является крайне важным, поскольку от его решения зависит успех рекламной кампании и ее эффективность. Выбор рекламной площадки или конструкции зачастую вызывает затруднения. И действительно, как выбрать рекламный формат или конструкцию? В какой вид рекламы инвестировать денежные средства? Чего ожидать от различных видов рекламы? Отвечая на данные вопросы, необходимо отметить, что выбор конкретного вида рекламы лучше доверить профессионалам, которые знают все тонкости и нюансы. Однако, если говорить коротко, то рекламу нужно выбирать ту, которая сможет обеспечить быстрое достижение поставленных целей. Без сомнения, такой рекламной конструкцией является крышная установка.
Почему крышная установка обеспечивает быстрое достижение рекламных целей? Приведем несколько соображений по этому поводу:
Можно привести еще рад положений, благодаря которым крышные установки имеют приоритет в быстроте достижения рекламных целей. Однако главным доводом может быть то, что миллионы человек по всей стране ежегодно инвестируют большие средства в наружную рекламу, получая при этом надлежащий экономический эффект.
Низкие цены изготовления наружной рекламы
Как указывалось, выше, существуют различные виды рекламы, которые имеют популярность у представителей отечественного бизнеса. Одна реклама является более эффективной, другая менее. Однако существует один вид рекламы, который является крайне эффективным и менее затратным. Речь идет о крышных установках.
Реклама на улицах города относится к одним из самых эффективных способов продвижения товаров и услуг. Секрет высокой эффективности кроется, в том числе и в низких ценах производства и размещения рекламных конструкций.
Низкая стоимость производства крышных установок выгодно отличает данный вид наружной рекламы от иных видов. Вместе с тем, цены на изготовление крышных установок различны и варьируются в зависимости от:
Однако в пересчете на количество контактов потенциальных клиентов с вашей рекламной конструкцией стоимость изготовления крышной установки не высока.
СОВЕТЫ ПО ИЗГОТОВЛЕНИЮ РЕКЛАМНЫХ КОНСТРУКЦИЙ В БЕЛОЙ КАЛИТВЕ
Определите цели и задачи крышных установок
Планируя установку рекламной конструкции, рекламодатель надеется на успех и хороший эффект. Но нужно понимать, что эффективность рекламной конструкции зависит от многих факторов, а сама ее установка требует тщательной подготовки. Добиться желаемого успеха в рекламе можно только при наличии заранее подготовленной стратегии. Многие наши клиенты зачастую спрашивают, с чего начать планирование рекламной кампании? Мы отвечаем: с постановки цели и определения задач, которые необходимо решить, чтобы достичь желаемого результата.
Все цели рекламной кампании можно объединить в три большие группы:
Имиджевые цели позволяют обратить внимание потенциальных клиентов к бренду компании. Стимулирующие цели призывают купить товар или заказать услугу. Стабилизирующие цели предназначены для поддержания интереса покупателей к бренду, товару или услуге. Таким образом, рекламодателю предстоит определиться, какую цель он планирует достичь.
После того, как рекламодатель определился с целью рекламной кампании, ему предстоит решить круг задач, важными из которых являются:
Рекламную кампанию можно назвать успешной в том случае, если она представляет собой сочетание качественной рекламной конструкции и профессионального выбора средств и способов достижения поставленных целей.
Следовательно, перед тем, как приступать к реализации задуманных рекламных проектов, необходимо понять, ради чего затевается рекламная кампания, какова ее цель и какие задачи необходимо будет решить в процессе ее реализации? Задайте себе простой вопрос: что я хочу получить по завершению рекламной кампании? Ответом на него и будет ваша цель.
Исследование рынка
После того, как поставлены цели рекламной кампании, необходимо провести исследования рынка или маркетинговые исследования. Что нужно изучить?
Уточните целевую аудиторию
Как уже говорилось выше, важным этапом в проведении эффективной рекламной кампании является правильное определение целевой аудитории вашего товара или услуги. Что такое «целевая аудитория»? Под целевой аудиторией следует понимать группу людей, которые нуждаются или могут нуждаться в приобретении вашего товара или услуги. Конечно, круг таких людей может быть очень широк. Следовательно, чтобы его сузить, необходимо задать себе вопросы:
Получив ответы на данные вопросы, мы сможем составить примерный портрет человека, входящего в целевую аудиторию вашего товара или услуги. От правильного понимания целевой аудитории зависит количество мест установки рекламной конструкции. Допустив ошибку с целевой аудиторией, велик риск провести рекламную кампанию, не получив в итоге ожидаемого положительного результата. Если с вопросом определения целевой аудитории у вас возникают проблемы, вы можете обратиться в рекламное агентство «Фасад Медиа Групп». Наши специалисты смогут вам помочь.
Подберите необходимый вид рекламной конструкции
Эффективность рекламной кампании во многом определяется правильно выбранной рекламной конструкцией. Зачастую, для определения требуемого вида рекламной конструкции, заказчики руководствуются бюджетом. Вместе с тем, данная позиция хоть и логична, но не всегда верна. При выборе вида конструкции наружной рекламы необходимо руководствоваться тем товаром или услугой, которую вы предлагаете клиенту или покупателю. Вид рекламной конструкции должен давать возможность человеку хорошо рассмотреть товар, изучать его, получить исчерпывающую информацию о контактах, адресах фирмы, которая рекламируется. Если рекламируемый товар или услуга требуют большого формата, то лучше не экономить и использовать надлежащий формат. Поверьте, от этого будет больше пользы и эффекта.
В случае, если вы затрудняетесь с выбором формата рекламной конструкции, обратитесь к менеджерам нашего рекламного агентства. Мы будем рады помочь.
Что такое крышная установка?
Наши клиенты часто задают нашим менеджерам вопрос: «Что такое крышная установка?». Отвечая на данный вопрос, специалисты нашей компании указывают, что под крышными установками в рекламных целях принято понимать рекламную конструкцию, закрепленную над козырьком крыши и предназначенную для информирования населения о бренде и/или названии компании.
Примеры крышной установки приведены ниже:

Крышная установка. Пример 1

Крышная установка. Пример 2

Крышная установка. Пример 3

Крышная установка. Пример 4

Крышная установка. Пример 5
Какие бывают виды крышных установок?
Существует большое количество крышных установок. Все крышные установки могут быть объединены в различные группы по различным основаниям:
1) в зависимости от места установки:
2) в зависимости от материала изготовления:
3) в зависимости от наличия подсветки:
4) в зависимости от формы:
5) в зависимости от наличия движения:
Как видим, существует большое количество крышных установок самого различного вида. В настоящее время особую популярность завоёвывают диджитал-конструкции, способные воспроизводить движение за счет светодиодных панелей.
Для чего нужны крышные установки?
Потребность бизнеса в крышных установках велика и обусловлена целым рядом факторов, способствующих популяризации данной рекламной конструкции на рекламном рынке. Возникает вопрос: каково назначение крышной установки? Необходимо отметить, что крышные установки используются в нескольких целях, при этом главными являются:
1) крышная установка – элемент привлечения внимания;
2) крышная установка – часть имиджа магазина, офиса, торгового центра, салона красоты и т.д.;
3) крышная установка – помощь в конкуренции.
В первом случае, крышные установки используются, чтобы помочь потенциальным покупателям быстро найти магазин, офис, салон красоты, аптеку и т.д. Не секрет, что каждый предприниматель желает быть более заметным для потенциальных покупателей и клиентов. Данная потребность особенно значима в условиях, когда город пестрит неоновыми вывесками и рекламными конструкциями. Если не устанавливать крышные установки, то покупатель может и не заметить магазин, офис или банк. Это может привести к потере клиентов и, как следствие, потере прибыли, что всегда негативно сказывается на эффективности бизнеса.
Во втором случае крышные установки могут использоваться как элемент имиджа, позволяющий сформировать положительный образ вашему бизнесу. Следовательно, крышная установка выступает в качестве брендовой рекламной конструкции. Рекламодатель может самостоятельно выбирать вид крышной установки, габариты, материал изготовления и форму. Это позволяет выделить офис или магазин среди аналогичных либо среди иных инфраструктурных объектов.
И наконец, крышная установка может помочь в борьбе за клиентов и покупателей, т.е. может использоваться как преимущество в конкурентной борьбе. Данное обстоятельство играет главную роль в условиях перенасыщения городской среды зданиями и сооружениями, магазинами, офисами, торговыми центрами и другими элементами городской инфраструктуры. Зачастую, в незнакомой городской среде покупателям нет разницы, в какой магазин или аптеку идти за товарами. Следовательно, бизнесмену необходимо выделить именно свой бизнес и привлечь, таким образом покупателей или клиентов в свой магазин или салон красоты. Для этого предприниматели зачастую используют именно крышные установки, выполненные по индивидуальному эскизу, способные издалека обратить на себя внимание потенциальных клиентов и покупателей.
Из изложенного выше можно сделать вывод, что крышные установки являются незаменимой рекламной конструкцией, которая используется для привлечения внимания потенциальных покупателей к объекту инфраструктуры, способствует популяризации бизнеса, что приводит к успешной продаже товаров и предложению услуг.

Что такое проектирование крышных установок?
Под проектированием крышных установок принято понимать процесс определения архитектуры, компонентов, интерфейсов и других характеристик крышной установки. Результатом проектирования крышной установки является технический проект – целостная совокупность моделей, свойств или характеристик, описанных в форме, пригодной для реализации рекламной конструкции.
Проектирование крышных установок представляет собой целенаправленную деятельность, которая обладает последовательностью процедур, ведущих к достижению эффективных решений. В настоящее время предложен ряд структур и алгоритмов проектирования крышных установок, совпадающих в основных чертах и различающихся только в содержании или названии отдельных этапов.
Методы проектирования крышных установок
К методам проектирования крышных установок относятся следующие:
1) Эвристические методы:
2) Экспериментальные методы:
3) Формализованные методы
Каждый из указанных методов должен использоваться в системе остальных подходов для того, чтобы процесс проектирования смог завершится в срок и с высококй степенью результативности.
Этапы проектирования крышных установок
Выше указывалось, что проектирование крышной установки – это процесс, состоящий из целого ряда логически последовательных действий, которые представляют собой систему и направлены на определенный результат, а именно: подготовка технического проекта крышной установки.
Процесс проектирования крышной установки разбивается на несколько этапов. К основным этапам проектирования указанной рекламной конструкции относятся:
Процесс проектирования крышной установки заканчивается получением разрешения на изготовление и установку рекламной конструкции. На данном этапе технический проект направляется в государственные органы, чтобы получить разрешение на изготовление и установку рекламной конструкции по заявленным характеристикам и на указанном в техническом проекте месте.
Как видим, процесс проектирования крышной установки является многоэтапным и требует достаточной компетенции. Для того, чтобы данный процесс завершился с надлежащим эффектом, необходимо обращаться к специалистам. Только таким образом можно исключить ошибки и неточности в проектировании крышной установки.

Стоимость проектирования крышной установки
Зачастую, клиенты нашей компании задают вопрос о стоимости проектирования крышной установки. Отвечая на данный вопрос, можем привести следующие цифры:
Обращаем внимание, что указанные суммы не являются публичной офертой и рассчитываются в каждом случае индивидуально. Процесс проектирования крышной установки является уникальным и не рутинным мероприятием, которое требует индивидуального подхода. Поэтому, для получения более точной информации о том, сколько стоит спроектировать крышную установку, необходимо обращаться к специалистам нашей компании. Будем рады сотрудничеству.
Уважаемые друзья! За изготовлением и установкой крышных установок обращайтесь в компанию «Фасад Медиа Групп». Высокий уровень сервиса и низкие цены гарантируем. Мы все сделаем сами: дизайн и эскиз макета, подготовка документов, согласование и монтаж. Фотоотчёт предоставляем бесплатно и в 100% объеме.
Обращайтесь 88002012374@mail.ru или 8 800 201-23-74
Что такое согласование рекламной конструкции?
Согласование рекламы – это получение разрешения в компетентных органах государственной власти или органах местного самоуправления на установку и эксплуатацию рекламной конструкции согласно утвержденного технического проекта. Процесс согласования рекламной конструкции регламентирован различными законодательными актами, в том числе некоторыми положениями ФЗ «О рекламе».
Согласно ст. 3 данного Федерального закона реклама – информация, распространенная любым способом, в любой форме и с использованием любых средств, адресованная неопределенному кругу лиц и направленная на привлечение внимания к объекту рекламирования, формирование или поддержание интереса к нему и его продвижение на рынке. Следовательно, любая конструкция, которая относится к рекламной, требует получения разрешения на ее установку и эксплуатацию.
Для чего нужно согласовывать рекламу в органах государственной или муниципальной власти?
В ст.5 ФЗ «О рекламе» приведены общие требования к рекламе, среди которых особо отмечено, что реклама должна быть добросовестной и достоверной. Недобросовестная реклама и недостоверная реклама не допускаются. Органы государственной власти, выдавая разрешение на установку и эксплуатацию рекламной конструкции, должны удостовериться, что конструкция содержит добросовестную рекламу и достоверную информацию. Более того, особое внимание уделяется тому, чтобы реклама:
Таким образом, при выдаче разрешения на установку и эксплуатацию рекламы, органы государственной власти дают положительную оценку рекламной конструкции, соглашаясь с тем, что данная реклама не противоречит требования законодательных актов РФ.
Нужно ли согласовывать крышные установки в органах государственной власти?
Как указано в ст.9 ФЗ «О рекламе», установка и эксплуатация рекламной конструкции допускаются при наличии разрешения на установку и эксплуатацию рекламной конструкции (далее также – разрешение), выдаваемого на основании заявления собственника или иного указанного в частях 5, 6, 7 данной статьи законного владельца соответствующего недвижимого имущества либо владельца рекламной конструкции органом местного самоуправления муниципального района или органом местного самоуправления городского округа, на территориях которых предполагается осуществлять установку и эксплуатацию рекламной конструкции.
Таким образом, любая рекламная конструкция перед ее установкой и эксплуатацией на территории муниципального района или местного самоуправления, должна пройти процесс согласования в органах муниципальной власти или в органах государственной власти. Возникает закономерный вопрос: необходимо ли получать разрешение на установку и эксплуатацию крышной установки? На данный вопрос необходимо ответить утвердительно, сказав, что перед установкой крышной установки необходимо согласовать проектную документацию данной крышной установки в органе муниципальной власти (администрации города), поскольку данная рекламная конструкция устанавливается на территории муниципального района или местного самоуправления.

Какова процедура согласования крышной установки в гос. органах?
Зачастую клиенты нашей компании спрашивают: каким образом проходит процесс согласования крышной установки в органах государственной власти? Отвечая на данный вопрос, необходимо отметить, чтобы получить разрешение на установку и эксплуатацию крышной установки, необходимо:
Как видим, процесс получения разрешения на установку и изготовление крышных установок не является сложным. Вместе с тем, процесс подготовки документов лучше доверить профессионалам, чтобы получить положительное решение органа власти по вопросу согласования крышной установки.

Что делать в случае отказа госоргана в выдаче разрешения на установку и эксплуатацию крышной установки?
Нередки случаи, когда органы государственной или муниципальной власти отказывают в выдаче разрешения на установку и эксплуатацию крышной установки. Возникает вопрос, что делать в этом случае? Наш ответ: необходимо уточнить все замечания, выяснить ошибки, которые были допущены при подготовке проектной документации, выяснить детально, в чем были допущены неточности, повлиявшие на отрицательный исход процесса получения разрешения на установку и эксплуатацию рекламной конструкции. Далее необходимо исправить все допущенные ошибки и подать документы повторно. При этом необходимо помнить, что повторная подача заявления на согласование крышной установки требует повторной уплаты государственной пошлины. Это один из важных моментов, о котором иногда забывают. Вместе с тем, если не предоставить квитанцию об уплате госпошлины, вам могут отказать по формальным основаниям. Будьте внимательны!
Сколько стоит согласование (получение разрешения) крышной установки в органах власти?
Приводим примерную стоимость согласования установки и эксплуатации крышной установки в органах власти:
|
Вид услуги |
Сроки |
Стоимость |
|
Составление эскизного проекта |
от 5 рабочих дней |
от 15000 руб. |
|
Изготовление технического проекта |
от 3 рабочих дней |
от 18000 руб. |
|
Сбор необходимых документов |
от 1 рабочего дня |
от 5000 руб. |
|
Подача документов |
от 1 рабочего дня |
от 3000 руб. |
|
Повторная подача документов |
от 3 рабочих дней |
от 1500 руб. |
|
Уплата госпошлины |
от 1 рабочего дня |
от 2000 руб. |
*Стоимость не является публичной офертой
Уважаемые друзья! За изготовлением и установкой крышных установок обращайтесь в компанию «Фасад Медиа Групп». Высокий уровень сервиса и низкие цены гарантируем. Мы все сделаем сами: дизайн и эскиз макета, подготовка документов, согласование и монтаж. Фотоотчёт предоставляем бесплатно и в 100% объеме.
Обращайтесь 88002012374@mail.ru или 8 800 201-23-74
Сколько стоит изготовление крышной установки в Белой Калитве?
Стоимость изготовления крышных установок в Белой Калитве не является фиксированной. Цены вариативны и зависят от различных факторов. Большое влияние на ценовую политику оказывают:
Дополнительно необходимо отметить, что вид крышной установки является одним из основных факторов, влияющих на стоимость ее изготовления. Вариативность форматов данной конструкции позволяет заказчикам даже с небольшим бюджетом изготавливать крышные установки.
Можно заключить, что изготовление крышных установок в Белой Калитве и Ростовской области стоит недорого. Денежные средства, вложенные в изготовление данного вида конструкции, окупаются быстро, а высокая эффективность крышных установок способствует увеличению потока клиентов и повышению процента продаж.
Планируя изготовление крышных установок, заказчик, зачастую, во главу угла ставит именно финансовый аспект. Поэтому стоимость изготовления крышных установок в Белой Калитве является важным вопросом. Для получения коммерческого предложения об условиях и ценах изготовления крышных установок в Белой Калитве необходимо предоставить следующую информацию:
Предоставление указанной выше информации является необходимым условием для получения ценового предложения (прайса) по изготовлению крышных установок. После получения указанной информации наши менеджеры смогут подготовить коммерческое предложение с учетом ваших целей и задач.
Услуги по изготовлению крышных установок в Белой Калитве
Компания «Фасад Медиа Групп» изготавливает крышные установки в Белой Калитве на профессиональной основе. Мы оказываем следующий перечень услуг:
Как можно видеть, рекламно-производственная компания "Фасад Медиа Групп" оказывает полный перечень услуг по изготовлению крышных установок в Белой Калитве. Благодаря большому опыту работы и профессионализму наших рабочих, мы качественно оказываем услуги, а работы всегда выполняем в полном объеме и в установленный срок.
Сроки изготовления крышных установок в Белой Калитве
Срок изготовления крышных установок является одним из важных факторов, поскольку чем быстрее крыная установка будет установлена, тем быстрее тысячи потенциальных покупателей смогут обратить внимание на рекламную конструкцию. Зачастую, наши клиенты спрашивают: «Каков минимальный срок изготовления крышных установок в Белой Калитве?». Отвечая на данный вопрос, можно отметить, что минимальный срок изготовления крышных установок в Белой Калитве составляет 3 рабочих дня. Что касается максимального срока выполнения работ, то он рассчитывается индивидуально исходя из вида, размера, формата рекламной конструкции, а также наличия свободных трудовых ресурсов.
Изготовление крышных установок можно разделить на несколько этапов:
Несмотря на то, что минимальный срок изготовления крышных установок составляет 3 рабочих дня, в некоторых случаях срок изготовления данной конструкции может быть продолжительным. Для получения более подробной информации по данному вопросу, обращайтесь к специалистам нашей компании. Будем рады помочь.
Уважаемые друзья! За изготовлением и установкой крышных установок обращайтесь в компанию «Фасад Медиа Групп». Высокий уровень сервиса и низкие цены гарантируем. Мы все сделаем сами: дизайн и эскиз макета, подготовка документов, согласование и монтаж. Фотоотчёт предоставляем бесплатно и в 100% объеме.
Обращайтесь 88002012374@mail.ru или 8 800 201-23-74
Что такое установка крышной установки?
Установка крышной установки – это процесс доставки и сборки рекламной конструкции на заранее определенном месте с применением специализированных инструментов и техники. Установка крышной установки также называется монтажом рекламной конструкции.
Сколько времени требуется на установку крышной установки?
Сроки установки крышной установки зависят от вида рекламной конструкции, сложности ее технического устройства, материалов изготовления, а также от количества составных элементов крышной установки. Как правило, сборка крышной установки занимает от 2 до 7 рабочих дней.
Кто осуществляет сборку и установку крышной установки?
Сборку и установку крышной установки осуществляют специалисты ООО «Фасад Медиа Групп», которые обладают большим опытом работы. Каждый из наших рабочих, занятый в установке рекламной конструкции, прошел специальную подготовку и получил допуск от руководства к монтажным работам.
Гарантия после установки крышной установки
Некоторые заказчики спрашивают, какие гарантии представляет наша компания после изготовления и установки крышной установки? Отвечая на данный вопрос, необходимо отметить, что качество наших работ высокое. Мы используем качественные материалы при выполнении работ по изготовлению крышных установок. У нас собственное производство и квалифицированные рабочие, которые прошли обучение по изготовлению крышных установок, а также иных рекламных конструкций.
Изготовленные нами крышные установки рассчитаны более чем на 10-летнюю эксплуатацию. Гарантийный срок эксплуатации составляет 1 и более лет в зависимости от типа конструкции и материалов, применяемых при изготовлении крышной установки. Параметры гарантийных обязательств указываются в договоре, поэтому заказчик может быть уверен, что обязательства будут исполнены в полном объеме и в указанный в договоре срок.
Уважаемые друзья! За изготовлением и установкой крышных установок обращайтесь в компанию «Фасад Медиа Групп». Высокий уровень сервиса и низкие цены гарантируем. Мы все сделаем сами: дизайн и эскиз макета, подготовка документов, согласование и монтаж. Фотоотчёт предоставляем бесплатно и в 100% объеме.
Обращайтесь 88002012374@mail.ru или 8 800 201-23-74
Рекламное агентство «Фасад Медиа Групп» предлагает гибкие условия изготовления и установки крышных установок в Белой Калитве и Ростовской области, выгодные цены.
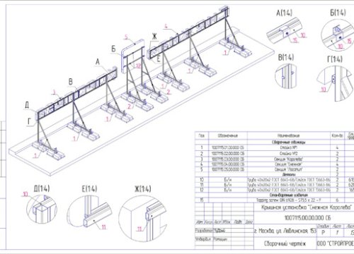
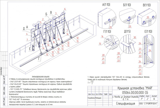
Примеры наших работ по изготовлению и установке крышных установок представлены ниже:
![]() |
![]() |
![]() |
Уважаемые друзья! За изготовлением и установкой крышных установок обращайтесь в компанию «Фасад Медиа Групп». Высокий уровень сервиса и низкие цены гарантируем. Мы все сделаем сами: дизайн и эскиз макета, подготовка документов, согласование и монтаж. Фотоотчёт предоставляем бесплатно и в 100% объеме.
Обращайтесь 88002012374@mail.ru или 8 800 201-23-74
Принимаем заявку
Позвоните или оставьте
заявку на сайте
Предлагаем услуги
Анализируем проблему
и предлагаем решение
Заключаем договор
Приходим к соглашению и подписываем документы
Оказываем услуги
Выполняем обязательства в полном объеме и в срок
Многие рекламные конструкции находятся в управлении нашего рекламного агентства. Это дает нам возможность устанавливать разумные цены без лишних комиссий и условий.
Наружная реклама
Реклама на радио
Реклама на телевидении
Реклама в интернете и печатных СМИ
Реклама на/в транспорте
Реклама в помещениях
Изготовление рекламы
Фасад Медиа Групп – это высокотехнологичное рекламное агентство, талантливый и креативный коллектив которого воплощает в жизнь сложные, смелые и интересные рекламные проекты.
На сайте используются файлы Cookie и Рекомендательные технологии. Продолжив работу с сайтом, Вы соглашаетесь с Политикой обработки персональных данных и правилами пользования сайтом